824-AG11D-ESL-LFCONN IC DIP SOCKET 24POS GOLD

Войдите в профиль
Вы можете отслеживать статусы заказов и получать персональные предложения
Москва


Минимальная цена 346-93-107-41-013000 при покупке от 1 шт 385.00 ₽/шт. Стоимость зависит от количества электронных компонентов. Купить 346-93-107-41-013000 с бесплатной доставкой можно картой онлайн или по безналичному расчету.
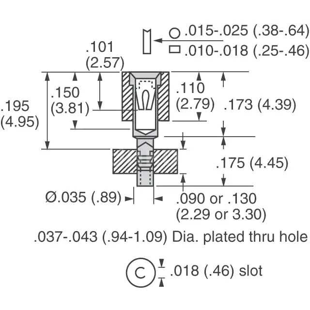
346-93-107-41-013000 DigiKey CONN SOCKET SIP 7POS GOLD
Авторизируйтесь, чтобы
снизить цену
Минимальная цена 346-93-107-41-013000 при покупке от 1 шт 385.00 ₽/шт. Стоимость зависит от количества электронных компонентов. Купить 346-93-107-41-013000 с бесплатной доставкой можно картой онлайн или по безналичному расчету.
346-93-107-41-013000 DigiKey CONN SOCKET SIP 7POS GOLD
